- Trang chủ
- /
- Kiến thức chuyên ngành
- /
- Mạch ổn áp cho máy phát điện là gì? Cấu tạo, nguyên lý hoạt động và ứng dụng
Mạch ổn áp cho máy phát điện là gì? Cấu tạo, nguyên lý hoạt động và ứng dụng
Trong quá trình vận hành, máy phát điện thường phải đối mặt với sự thay đổi tải đột ngột hoặc tốc độ động cơ không ổn định, dễ dẫn đến dao động điện áp. Đây chính là nguyên nhân gây ảnh hưởng đến tuổi thọ của thiết bị điện và hiệu suất làm việc của toàn hệ thống.
Vậy mạch ổn áp cho máy phát điện là gì? Tại sao nó lại đóng vai trò quan trọng trong việc bảo vệ thiết bị và đảm bảo nguồn điện ổn định? Bài viết dưới đây của Dianyo PowerGen sẽ giúp bạn hiểu rõ hơn và đưa ra lựa chọn phù hợp cho doanh nghiệp của mình.
Mạch ổn áp cho máy phát điện là gì?
Mạch ổn áp cho máy phát điện, hay còn gọi là bộ điều áp tự động (AVR - Automatic Voltage Regulator), là một mạch điện tử có chức năng duy trì điện áp đầu ra của máy phát ở mức ổn định, bất chấp sự thay đổi tải tiêu thụ hoặc tốc độ động cơ trong phạm vi cho phép. Đây là bộ phận quan trọng trong cấu tạo máy phát điện, đặc biệt là với các dòng máy phát điện công nghiệp yêu cầu nguồn điện ổn định, liên tục.
Hiểu một cách đơn giản, AVR hoạt động dựa trên cơ chế tự động đo điện áp đầu ra:
-
Khi điện áp giảm (ví dụ khi nhiều thiết bị điện hoạt động cùng lúc, làm tăng tải), AVR sẽ tự động tăng dòng điện kích từ vào cuộn dây kích từ của đầu phát (alternator). Nhờ đó, từ trường được tăng cường và điện áp đầu ra trở lại mức ổn định (220V hoặc 380V).
-
Khi điện áp tăng (ví dụ khi tắt bớt thiết bị, tải giảm), AVR sẽ giảm dòng điện kích từ, giúp đưa điện áp về ngưỡng an toàn.
Chính nhờ cơ chế này, mạch ổn áp giúp:
-
Bảo vệ thiết bị điện tránh hư hỏng do tình trạng quá áp hoặc sụt áp.
-
Đảm bảo máy phát điện, đặc biệt là máy phát điện công nghiệp, vận hành trơn tru và bền bỉ.
-
Kéo dài tuổi thọ cho các thiết bị nhạy cảm như hệ thống mạng, server, y tế hoặc dây chuyền sản xuất.
Có thể nói, việc tích hợp mạch ổn áp cho máy phát điện chính là “lá chắn an toàn”, giúp duy trì sự ổn định và tin cậy của toàn bộ hệ thống điện.

Phân biệt mạch ổn áp (AVR) với các bộ phận khác
Để hiểu rõ hơn về mạch ổn áp cho máy phát điện, cần phân biệt AVR với những bộ phận quan trọng khác như bộ điều tốc và tủ ATS.
- Mạch ổn áp (AVR - Automatic Voltage Regulator) có chức năng điều khiển điện áp, mục tiêu là giữ cho điện áp đầu ra luôn ổn định bất kể sự thay đổi của tải. Nguyên lý hoạt động dựa trên việc điều chỉnh dòng kích từ trong đầu phát điện.
- Bộ điều tốc (Governor) có chức năng điều khiển tốc độ động cơ, từ đó duy trì tần số dòng điện ở mức chuẩn 50Hz hoặc 60Hz. Cách hoạt động của bộ điều tốc là điều chỉnh lượng nhiên liệu cung cấp cho động cơ để giữ vòng quay (RPM) ổn định.
- Tủ chuyển nguồn tự động (ATS – Automatic Transfer Switch) có chức năng chuyển đổi nguồn điện giữa lưới điện và máy phát. Mục tiêu chính là đảm bảo phụ tải luôn có nguồn điện liên tục. Khi mất điện lưới, ATS tự động khởi động máy phát và chuyển tải sang máy phát. Khi có điện lưới trở lại, ATS sẽ ngắt máy phát và chuyển nguồn về lưới.

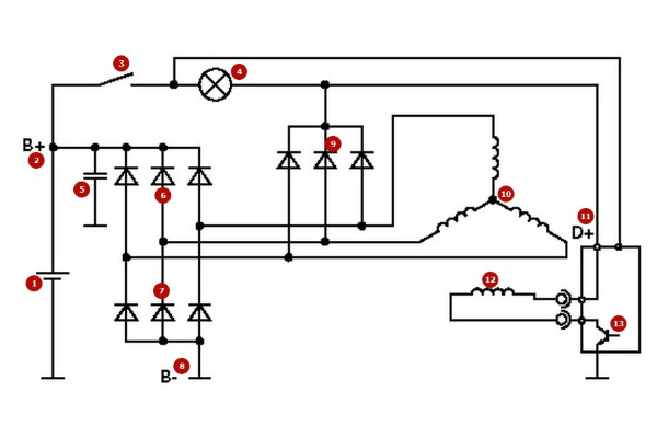
Sơ đồ mạch AVR cho máy phát điện thường gặp
Cấu tạo mạch ổn áp cho máy phát điện
Trong hệ thống máy phát điện công nghiệp, mạch ổn áp (AVR) thường bao gồm năm khối chính. Các khối này hoạt động phối hợp theo một vòng điều khiển kín để đảm bảo điện áp đầu ra luôn ổn định.
Khối cảm biến và đo lường điện áp
Khối này thường sử dụng máy biến áp đo lường nhỏ (PT – Potential Transformer) hoặc mạch chia áp bằng điện trở để lấy mẫu điện áp xoay chiều từ đầu ra máy phát. Sau đó, điện áp được chỉnh lưu và lọc thành tín hiệu một chiều (DC) ổn định.
Khối so sánh và điều khiển
Đây là “bộ não” của AVR, chứa nguồn điện áp tham chiếu ổn định, thường được thiết kế để không thay đổi theo nhiệt độ hoặc thời gian. Khối này so sánh tín hiệu DC từ khối cảm biến với điện áp tham chiếu. Nếu điện áp thấp hơn mức cài đặt, nó phát tín hiệu yêu cầu tăng điện áp; ngược lại, nếu điện áp cao hơn, tín hiệu điều khiển sẽ yêu cầu giảm điện áp.
Khối khuếch đại
Tín hiệu từ khối điều khiển thường rất nhỏ và không đủ mạnh để tác động trực tiếp đến khối công suất. Do đó, khối khuếch đại gồm các transistor hoặc mạch khuếch đại thuật toán (Op-amp) sẽ nâng biên độ tín hiệu đủ lớn để truyền đến mạch công suất.
Khối kích từ công suất đầu ra
Đây là bộ phận thường sử dụng các linh kiện bán dẫn công suất lớn như Transistor, Thyristor (SCR) hoặc MOSFET. Nhiệm vụ chính của nó là điều khiển dòng điện một chiều cấp cho cuộn dây kích từ rotor. Khi dòng kích từ thay đổi, cường độ từ trường thay đổi theo, từ đó điện áp xoay chiều ở stator cũng được điều chỉnh để duy trì mức điện áp mong muốn.

Các mạch bảo vệ phụ trợ
AVR hiện đại thường được tích hợp nhiều cơ chế bảo vệ an toàn. Một số tính năng phổ biến gồm:
-
Bảo vệ thấp tần số (UFRO): tự động giảm điện áp khi tốc độ động cơ quá thấp.
-
Bảo vệ quá kích từ hoặc quá áp: ngăn điện áp vượt ngưỡng gây hư hại cho thiết bị.
-
Bảo vệ mất cảm biến: tự động ngắt kích từ khi tín hiệu điện áp đầu vào bị mất.
Nhờ sự kết hợp đồng bộ giữa các khối trên, mạch ổn áp trong máy phát điện công nghiệp có thể duy trì điện áp đầu ra với độ chính xác cao, đảm bảo an toàn và độ bền cho toàn bộ hệ thống.
Nguyên lý hoạt động của mạch ổn áp cho máy phát điện
Trên thực tế, mạch ổn áp (AVR – Automatic Voltage Regulator) hoạt động dựa trên một cơ chế điều khiển thông minh theo vòng lặp phản hồi, liên tục theo dõi điện áp đầu ra và ngay lập tức điều chỉnh dòng điện kích từ để duy trì sự ổn định. Nguyên lý làm việc của AVR có thể được mô tả qua bốn bước cơ bản sau:
- Đo lường (Measure): Khối cảm biến trong AVR liên tục đo điện áp xoay chiều (AC) tại đầu ra máy phát điện và chuyển đổi thành tín hiệu điện áp một chiều (DC) tương ứng.
- So sánh (Compare): Tín hiệu DC này được đưa vào khối điều khiển để so sánh với điện áp tham chiếu (Voltage Reference) đã được cài đặt sẵn. Đây là giá trị điện áp mong muốn mà máy phát cần duy trì, chẳng hạn 220V hoặc 380V.
- Tính toán sai số (Calculate Error): Dựa trên sự chênh lệch giữa điện áp thực tế và điện áp tham chiếu, AVR xác định mức sai số cần điều chỉnh.
- Điều chỉnh (Correct): Khối điều khiển phát tín hiệu đến khối công suất để tăng hoặc giảm dòng điện một chiều cấp cho cuộn dây kích từ của rotor. Sự thay đổi dòng kích từ này làm thay đổi cường độ từ trường, từ đó điện áp xoay chiều ở đầu ra được điều chỉnh về đúng mức ổn định.
Vòng lặp này được thực hiện liên tục hàng nghìn lần mỗi giây, tạo nên phản ứng tức thì trước mọi biến động tải. Chính cơ chế phản hồi nhanh và chính xác này giúp máy phát điện xoay chiều duy trì chất lượng điện năng ổn định, bảo vệ tối đa cho các thiết bị điện nhạy cảm trong cả ứng dụng dân dụng lẫn công nghiệp.

Chức năng của mạch ổn áp
Mạch ổn áp (AVR) không chỉ giữ vai trò điều chỉnh điện áp mà còn mang lại nhiều lợi ích quan trọng:
- Bảo vệ thiết bị điện: Ngăn chặn các hư hỏng khi xảy ra biến động điện áp đột ngột. Đặc biệt cần thiết đối với các thiết bị nhạy cảm như máy tính, tủ lạnh, máy giặt hay hệ thống điều khiển tự động.
- Duy trì điện áp ổn định cho toàn hệ thống: Giúp toàn bộ thiết bị điện hoạt động an toàn, hiệu quả và không bị gián đoạn do sự dao động của nguồn điện.
- Kéo dài tuổi thọ thiết bị: Nhờ khả năng giữ dòng điện ổn định, mạch ổn áp giảm thiểu hao mòn linh kiện bên trong thiết bị, giúp chúng hoạt động bền bỉ hơn.
- Bảo vệ an toàn khi sự cố xảy ra: Mạch ổn áp có thể tự động ngắt điện khi phát hiện quá áp hoặc quá dòng, phòng tránh tình trạng cháy nổ hoặc hỏng hóc nghiêm trọng cho toàn hệ thống điện.

Ứng dụng thực tế của mạch ổn áp
Mạch ổn áp được sử dụng rộng rãi trong nhiều lĩnh vực nhờ khả năng duy trì điện áp ổn định:
- Trong thiết bị điện gia dụng: AVR được tích hợp trong tivi, máy tính, tủ lạnh, máy giặt… giúp thiết bị hoạt động ổn định, không bị hỏng do điện áp dao động.
- Trong máy phát điện công suất lớn: Đây là thành phần bắt buộc để đảm bảo hệ thống máy móc công nghiệp, dây chuyền sản xuất vận hành liên tục, hạn chế hư hỏng và giảm thiểu thời gian dừng máy.
- Trong lĩnh vực điện tử vi xử lý: AVR giữ cho nguồn điện cung cấp cho vi mạch ổn định, từ đó đảm bảo hiệu năng và độ chính xác của các thiết bị điện tử hiện đại.
- Trong hệ thống điện dự phòng (UPS): Mạch ổn áp giúp đầu ra luôn ổn định kể cả khi lưới điện gặp sự cố, bảo vệ các thiết bị quan trọng trong môi trường y tế, ngân hàng, viễn thông hay trung tâm dữ liệu.
Tiêu chí lựa chọn mạch ổn áp phù hợp
Với vai trò quyết định đến sự ổn định điện áp và tuổi thọ của toàn bộ hệ thống, việc chọn đúng AVR cho máy phát điện xoay chiều không chỉ giúp máy vận hành hiệu quả mà còn bảo vệ an toàn cho các thiết bị điện. Dưới đây là những tiêu chí quan trọng cần cân nhắc:
Dòng điện và điện áp phù hợp với công suất máy
Tiêu chí đầu tiên và quan trọng nhất là đảm bảo AVR tương thích với thông số điện áp và dòng điện của máy phát điện. AVR cần có dải điện áp cảm biến phù hợp với điện áp đầu ra của máy, ví dụ 220V hoặc 380V cho máy phát điện 3 pha.
Đồng thời, AVR phải cung cấp đủ dòng điện kích từ cho cuộn dây rotor. Với máy phát điện công suất lớn, dòng kích từ càng cao, nếu chọn AVR quá nhỏ, điện áp sẽ không đạt được mức định mức khi tải tăng.

Loại mạch tương thích với đầu phát
Máy phát điện hiện nay có nhiều kiểu hệ thống kích từ khác nhau, vì vậy cần lựa chọn AVR đúng loại:
-
AVR cho hệ thống tự kích (Self-Excited / Shunt): Lấy nguồn nuôi trực tiếp từ đầu ra của máy phát, phổ biến và chi phí hợp lý.
-
AVR cho hệ thống PMG (Permanent Magnet Generator) hoặc AREP (Auxiliary Winding): Đây là các hệ thống cao cấp, AVR được cấp nguồn riêng, cho khả năng đáp ứng tải nhanh, chịu dòng ngắn mạch tốt và đảm bảo điện áp ổn định hơn.
Các tính năng mở rộng cần thiết
Những dòng AVR hiện đại không chỉ có chức năng ổn áp mà còn tích hợp thêm nhiều tính năng thông minh, như:
-
Bảo vệ thấp tần số (UFRO), giúp giảm điện áp khi tốc độ động cơ giảm để bảo vệ đầu phát.
-
Chức năng bảo vệ quá áp và quá kích từ, đảm bảo an toàn cho thiết bị điện kết nối.
-
Khả năng kết nối song song, cho phép nhiều máy phát điện hoạt động đồng bộ và chia tải ổn định.
-
Điều chỉnh độ ổn định, giúp AVR phản ứng linh hoạt theo từng loại tải.
-
Bảo vệ mất tín hiệu cảm biến, ngăn chặn sự cố nguy hiểm do sai lệch tín hiệu.
Thương hiệu và độ bền sản phẩm
Chất lượng và độ bền của AVR quyết định trực tiếp đến sự an toàn của hệ thống điện. Người dùng nên ưu tiên lựa chọn AVR từ các thương hiệu uy tín như Stamford, Leroy Somer, Mecc Alte, Marathon, vốn nổi tiếng về độ chính xác và độ bền. Đồng thời, cần đảm bảo sản phẩm chính hãng, có chứng từ rõ ràng và chính sách bảo hành minh bạch để tránh rủi ro từ hàng giả, hàng kém chất lượng.
Kết luận
Thông qua bài viết trên, hy vọng bạn nắm rõ mạch ổn áp cho máy phát điện là gì? nguyên lý, cấu tạo và ứng dụng của nó. Việc lựa chọn AVR phù hợp cho máy phát điện xoay chiều là một quyết định kỹ thuật quan trọng. Nếu không chắc chắn, người dùng nên tham khảo tài liệu kỹ thuật đi kèm hoặc nhận tư vấn từ các kỹ sư và đơn vị cung cấp uy tín để đảm bảo lựa chọn chính xác và tối ưu nhất. Liên hệ ngay với Dianyo PowerGen qua Hotline: 058 553 7777 hoặc truy cập website: https://dianyopowergen.com/ để được tư vấn chi tiết và báo giá phù hợp.
Đối tác chính








