- Trang chủ
- /
- Kiến thức chuyên ngành
- /
- AVR máy phát điện 3 pha là gì? Vai trò, phân loại và cách sử dụng chi tiết
AVR máy phát điện 3 pha là gì? Vai trò, phân loại và cách sử dụng chi tiết
AVR máy phát điện 3 pha là bộ phận giúp kiểm soát và duy trì điện áp đầu ra luôn ổn định ngay cả khi tải thay đổi đột ngột gồm các bộ phận chính như roto và stato. Trong hệ thống máy phát điện 3 pha, chỉ cần điện áp dao động vượt ngưỡng cho phép có thể gây hư hỏng tải, giảm hiệu suất và tuổi thọ máy.
Vậy AVR là gì, nguyên lý hoạt động ra sao và tại sao AVR máy phát điện 3 pha lại quan trọng đối với hệ thống điện công nghiệp và dân dụng. Bạn hãy cùng, Dianyo PowerGen tìm hiểu trong bài viết sau:
AVR máy phát điện 3 pha là gì?
AVR máy phát điện 3 pha (Automatic Voltage Regulator) là bộ điều chỉnh điện áp tự động, có chức năng duy trì điện áp đầu ra của máy phát luôn ổn định trong phạm vi cho phép. Trong quá trình vận hành, điện áp máy phát có thể biến động do thay đổi tải, tốc độ động cơ hoặc điều kiện môi trường và AVR sẽ tự động điều chỉnh dòng kích từ để cân bằng điện áp.
AVR của máy phát điện 3 pha còn đóng vai trò kích từ cho rotor, giúp máy phát tạo ra dòng điện liên tục, ổn định và đúng thông số kỹ thuật. Đây là bộ phận không thể thiếu trong hệ thống máy phát điện 3 pha. Khi AVR hoạt động không chính xác hoặc bị hư hỏng, điện áp đầu ra sẽ mất ổn định, gây ảnh hưởng trực tiếp đến thiết bị sử dụng điện và làm giảm độ bền của máy phát.

Vai trò của AVR máy phát điện 3 pha
Bộ AVR máy phát điện 3 pha thực hiện 4 công dụng chính: ổn định điện áp, kiểm soát tỷ lệ điện áp - tần số, điều khiển công suất vô công và bù trừ sụt áp trên đường dây.
Điều chỉnh điện áp máy phát điện 3 pha
AVR liên tục giám sát điện áp thực tế và so sánh với điện áp tham chiếu, sau đó tự động điều chỉnh dòng kích từ để điện áp luôn nằm trong giới hạn cho phép.
Giới hạn tỷ số điện áp và tần số
Trong giai đoạn khởi động, khi tốc độ quay của động cơ còn thấp khiến tần số chưa đạt tiêu chuẩn, AVR của máy phát điện 3 pha sẽ tăng dòng kích từ để nâng điện áp đầu ra. AVR còn giám sát tỷ lệ giữa điện áp và tần số để điều chỉnh phù hợp, đảm bảo máy phát hoạt động an toàn trước khi đạt tốc độ và tần số định mức.
Điều khiển công suất vô công
AVR phối hợp giữa điện áp máy phát, điện áp lưới và công suất vô công nhằm duy trì sự cân bằng trong hệ thống điện, giúp máy phát vận hành ổn định và nâng cao hiệu suất sử dụng điện năng.
Bù trừ sụt áp trên đường dây
Bộ AVR máy phát điện 3 pha có khả năng nhận biết sự suy giảm điện áp trên đường dây truyền tải và tự động bù trừ phần điện áp bị hao hụt giúp điện áp tại tải luôn được duy trì ổn định, hạn chế ảnh hưởng tiêu cực đến hiệu suất và tuổi thọ của các thiết bị điện sử dụng.

Nguyên lý hoạt động của AVR máy phát điện 3 pha
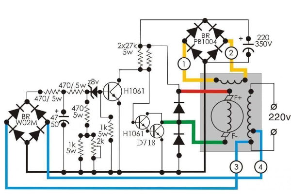
Mạch AVR máy phát điện 3 pha hoạt động theo nguyên lý đo – so sánh – điều chỉnh. AVR liên tục đo điện áp thực tế tại các đầu cực của máy phát và so sánh với mức điện áp tham chiếu đã được cài đặt sẵn.
Khi điện áp đầu ra có sự sai lệch so với giá trị tham chiếu, AVR máy phát điện 3 pha sẽ lập tức phát tín hiệu điều khiển để điều chỉnh dòng kích từ cấp vào rotor. Nếu điện áp giảm, AVR tăng dòng kích từ để nâng điện áp; ngược lại, khi điện áp tăng cao, AVR sẽ giảm dòng kích từ để đưa điện áp về mức ổn định.
Thông qua cơ chế điều chỉnh tự động này, mạch AVR trong máy phát điện 3 pha giúp điện áp tại các cuộn stator luôn nằm trong giới hạn cho phép.

Phân loại AVR của máy phát điện 3 pha
AVR máy phát điện 3 pha được thiết kế đa dạng nhằm phù hợp với từng dòng máy và mức công suất khác nhau. Mỗi máy phát điện 3 pha đều sử dụng bộ AVR có thông số kỹ thuật tương ứng để đảm bảo khả năng điều chỉnh và ổn định điện áp hiệu quả trong suốt quá trình vận hành.
Phân loại AVR theo công suất máy phát
Các dòng máy phát điện công suất nhỏ đến lớn như 3kVA, 5kVA, 10kVA, 20kVA… đều được trang bị AVR tương ứng với công suất định mức. Việc lựa chọn đúng AVR theo công suất giúp mạch kích từ hoạt động chính xác, hạn chế quá tải và đảm bảo điện áp đầu ra ổn định.
Phân loại AVR theo cấu tạo máy phát
Tùy theo cấu tạo máy phát, AVR máy phát điện 3 pha được chia thành:
-
AVR cho máy phát điện có chổi than
-
AVR cho máy phát điện không chổi than
Mỗi loại AVR được thiết kế mạch kích từ riêng biệt để phù hợp với nguyên lý hoạt động của từng dòng máy.
Phân loại AVR theo thiết kế và chủng loại
AVR máy phát điện 3 pha còn khác nhau về thương hiệu, kiểu dáng, kích thước và màu sắc. Dù có sự khác biệt về thiết kế, các bộ AVR đều thực hiện chung một chức năng là điều chỉnh dòng kích từ, ổn định điện áp và bảo vệ thiết bị điện.

Hướng dẫn kiểm tra và nhận biết lỗi AVR máy phát điện 3 pha
Việc kiểm tra định kỳ giúp phát hiện sớm các lỗi của AVR máy phát điện 3 pha, từ đó đảm bảo điện áp đầu ra ổn định và hạn chế rủi ro hư hỏng thiết bị điện. Dưới đây là các bước kiểm tra cơ bản:.
Bước 1: Kiểm tra điện áp đầu vào AVR
Sử dụng đồng hồ đo điện áp để kiểm tra nguồn điện đầu vào cấp cho AVR máy phát điện 3 pha. Đảm bảo máy phát cung cấp đủ điện áp theo thông số kỹ thuật.
Bước 2: Kiểm tra điện áp đầu ra AVR
Tiến hành đo điện áp đầu ra từ AVR cấp đến mạch kích từ hoặc tải. Điện áp phải ổn định và nằm trong phạm vi cho phép. Nếu điện áp dao động mạnh hoặc vượt ngưỡng, khả năng cao AVR đang gặp sự cố.
Bước 3: Kiểm tra bo mạch điều khiển AVR
Tháo và kiểm tra bo mạch của AVR máy phát điện 3 pha bằng cách đo điện trở, điện dung của các linh kiện trên mạch. Phát hiện sớm các linh kiện bị cháy, phù tụ hoặc sai lệch thông số giúp xử lý kịp thời.
Bước 4: Kiểm tra cảm biến điện áp
Cảm biến điện áp có vai trò quan trọng trong việc đo và phản hồi tín hiệu cho AVR. Nếu cảm biến bị hư hỏng, điện áp đầu ra sẽ mất ổn định.
Bước 5: Kiểm tra các linh kiện liên quan khác
Ngoài các bộ phận chính, một số linh kiện như bộ khuếch đại tín hiệu, mạch bảo vệ nhiệt độ cũng có thể gây lỗi cho AVR máy phát điện 3 pha. Việc kiểm tra tổng thể giúp đánh giá chính xác nguyên nhân sự cố.
Trường hợp phát hiện bất thường, nên liên hệ kỹ thuật viên chuyên nghiệp hoặc nhà cung cấp để kiểm tra chuyên sâu và sửa chữa kịp thời.

Nên làm gì khi AVR máy phát điện 3 pha gặp sự cố?
Khi AVR máy phát điện 3 pha gặp sự cố, cần ngừng vận hành và xử lý kịp thời. AVR bị hỏng có thể khiến điện áp quá cao, quá thấp hoặc dao động liên tục, ảnh hưởng trực tiếp đến hiệu suất và tuổi thọ máy phát.
Đối với kỹ thuật viên chuyên nghiệp, cần sử dụng thiết bị đo điện tử để kiểm tra điện áp đầu vào, đầu ra, dòng kích từ và bo mạch điều khiển AVR nhằm xác định chính xác nguyên nhân, từ đó sửa chữa hoặc thay thế linh kiện phù hợp.
Trong trường hợp không có chuyên môn kỹ thuật, người dùng nên liên hệ đơn vị sửa chữa hoặc đại lý máy phát điện uy tín để được kiểm tra và thay thế AVR máy phát điện 3 pha đúng chủng loại giúp máy phát hoạt động ổn định, giảm rủi ro sự cố và tiết kiệm chi phí bảo trì lâu dài.
Giá AVR máy phát điện 3 pha
Chi phí của AVR máy phát điện 3 pha phụ thuộc vào công suất máy phát, chủng loại AVR và thương hiệu sản xuất. Máy phát điện có công suất càng lớn thì yêu cầu kỹ thuật của AVR càng cao, dẫn đến chi phí sửa chữa hoặc thay thế cũng tăng theo.
Hiện nay, giá AVR máy phát điện 3 pha trên thị trường thường dao động trong khoảng 1.000.000 – 5.000.000 VNĐ hoặc cao hơn, tùy theo từng dòng máy và hãng sản xuất. Một số AVR chính hãng cho máy công suất lớn hoặc thương hiệu cao cấp có giá cao hơn và khó tìm linh kiện thay thế riêng lẻ.
Kết luận
AVR máy phát điện 3 pha là bộ phận giữ vai trò then chốt trong việc ổn định điện áp đầu ra, bảo vệ thiết bị điện và đảm bảo máy phát điện vận hành an toàn, hiệu quả. Việc hiểu rõ chức năng, nguyên lý hoạt động và cách kiểm tra và xử lý sự cố AVR sẽ giúp người dùng chủ động hơn trong quá trình sử dụng, đồng thời kéo dài tuổi thọ cho máy phát điện.
Nếu bạn cần tư vấn, sửa chữa hoặc thay thế AVR, máy phát điện và các thiết bị liên quan, vui lòng liên hệ Dianyo PowerGen để được đội ngũ kỹ thuật hỗ trợ nhanh chóng và chính xác nhất.
Đối tác chính








